Russian Frisco - Русский Сан Франциско
Найди свое счастье, служба знакомств на RussianAmerica.COMРусские концерты на Американской сцене
. Russian America Top
Russian Frisco News. Новости на Русском Сан ФранцискоNews Russian Frisco - Events. События и Афиша на Русском Сан ФранцискоEvents Russian Frisco Yellow Pages. Жёлтые страницы Русского Сан ФранцискоYellow Pages Russian Frisco Classfieds. Объявления на Русском Сан ФранцискоClassifieds Russian Frisco Dating. Знакомства на Русском Сан ФранцискоDating Russian Frisco Forum. Дискуссионный клуб Русского Сан ФранцискоForum Russian Frisco Chat. Чат на Русском Сан ФранцискоChat
 News Central
В мире
  Политика
  Разное
Бизнес
  Деньги
Общество
  Мода
  Религия
  Светская жизнь
  Шоу Бизнес
  Пикантные новости
  Животные
  Криминал
Спорт
Искусство
  Кино
  Музыка
Авто
Hi-Tech
  Интернет
  Hardware
  SoftNews
Здоровье
Путешествия
Вокруг света
USA
Россия
  
Ресурсы
  Самые последние
  Самые читаемые
Архив
 Другие ресурсы
Все Ресурсы

Рассылки
Газеты
Журналы
ТВ - Online
Радио

Юмор
  Анекдоты
  Игры
  Этикетки
  
Открытки
  Поздравь друга
  
Программа TV
Кино
  Новости кино
  Кинообзоры
  
Музыка
  Радио в internet
  Russian Top
  
Спорт
Web Обзоры Exler.ru
  
Читальный зал
ЭКСпромт - статьи для чайников
Компьютерные игры
Finance News
Автообзоры
Russian America Journal Digest
 Смотрите также
Yellow Pages
Объявления
Чат
Форум
  последнее

Читальный зал
  Стихи
  Проза
  Кулинария

Едем в Америку!
  Иммиграция
  Визы
  Советы

Знакомства
Фотоальбомы
Top Rating
  America TOP
  
Последние новости со всего мира.
 
NEWS CENTRAL >> Hi-Tech

Hi-Tech

Вулканы спутника Сатурна могут извергать лед вместо лавы
6:21PM Thursday, Nov 11, 2004
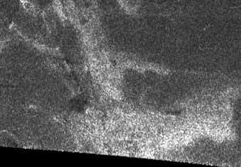
Радарный снимок Титана. Фото с сайта ЕКА

Радарный снимок Титана. Фото с сайта ЕКА
Светлые полосы на поверхности северного полушария Титана могут оказаться потоками льда, под большим давлением выплеснутыми из глубин спутника Сатурна. Такое предположение выдвинули ученые, анализирующие радиолокационные снимки, сделанные космическим аппаратом Cassini 26 октября.

По информации сайта BBC News, теории ледяных вулканов мешает сравнительно малое число действующих кратеров на Титане. Однако защитники этой идеи считают, что геологические процессы просто постоянно меняют ландшафт малой планеты.

"Это может быть чем-то, что вытекло, или это может быть чем-то, что повреждено эрозией. Слишком рано говорить", - считает ученый из группы радарных исследований Cassini Ральф Лоренц (Ralph Lorenz).

"Это выглядит так, будто что-то растеклось по поверхности. Это могут быть какие-то криовулканические потоки, напоминающие выбросы земных вулканов, только не в виде лавы, а при очень низких температурах Титана, в виде льда", - добавил он.

Криовулканическая активность предположительно есть и на спутнике Юпитера Ганимеде, где температура -182 градусов по Цельсию. На Титане погодные условия почти такие же, температура там -179 градусов по Цельсию.

Ранее ученые предполагали, что на радарных снимках они видят озеро или даже океаны жидкого углеводорода. Окончательно установить истину им, возможно, удастся после того, как спускаемый аппарат Huygens отделится от Cassini и в середине декабря совершит посадку на Титан.

По материалам lenta.ru
« « Вернуться       Далее » »
Другие новости по теме
  • Складная Bluetooth-клавиатура с программируемыми клавишами для КПК
  • Hitachi представила новые жесткие диски
  • Sony будет продавать PSP дешевле 200 долларов
  • В центре нашей Галактики обнаружена вторая чёрная дыра
  • Новая редакция "Битрикс: Управление сайтом" для малого бизнеса
  • Массовые поставки чипов Itanium Montecito начнутся не ранее 2006 года
  • Кольца Сатурна "напевают" неприятную мелодию
  • Ноутбук Fujitsu LifeBook N6010 с 17-дюймовым дисплеем
  • Системные платы MSI на основе чипсета ATI Radeon Xpress 200
  • Первый в мире трехмерный дисплей для мобильных телефонов
  • Обнаружен сетевой червь Orpheus
  • Microsoft предлагает клиентам защиту от возможных судебных исков
  • МР3-плеер Samsung YH-920 с винчестером на 20 Гб
  • Пиринговые сети негативно влияют на продажи музыки в США
  • В сервере Samba найдена опасная дыра
  • Трехдиапазонный телефон NEC e101 с фотокамерой

    Далее » »   Digest | Архив »    
Смотрите также: Hi-Tech, Интернет, Hardware, SoftNews
 
Читайте также:

Европейский космический аппарат Smart-1 вышел на орбиту Луны

Россия поучаствует в разработке глобальной информационной системы

Intel готовится представить новую платформу для "цифрового дома"

Рим, Париж и Петербург затонут еще до конца века

МКС начала падать из-за магнитной бури

Smart-1 разрешит споры о происхождении Луны


Гигантские облака Урана поставили ученых в тупик

Морское судоходство спрячут от пиратов и террористов в Арктике

Boeing и Northrop объединились для создания шаттла нового поколения

Новый самолет NASA полетит в 10 раз быстрее звука

"Прогресс" передвинет МКС для приема грузового корабля

Американский студент нашел череп неизвестной амфибии

С космодрома в Плесецке успешно стартовала ракета "Союз-2"

Старт ракеты "Союз-2" отложен на неопределенное время

Солнечный ветер обрушил на Землю магнитную бурю



Рассылки:
  Новости-почтой
  TV-Программа
  Гороскопы
  Job Offers
  Концерты
  Coupons
  Discounts
  Иммиграция
  Business News
  Анекдоты
Многое другое...

News Central Home | News Central Resources | Portal News Resources | Help | Login
 
Russian Boston Russian LA Holostyak.com Рейтинг@Mail.ru © 2026 RussianAMERICA Holding
All Rights Reserved • Contact